La investigación apunta a generar un supercapacitor, con base en nanomateriales, que pueda almacenar energía de manera sustentable y reducir impacto de los residuos químicos de las baterías.
“Estamos apostando al futuro del almacenamiento de energía. Se habla mucho de la conversión de energía eólica o solar en energía eléctrica, pero se habla poco de cómo almacenar esa energía”, advierte el Dr. Leonardo Vivas.
En el laboratorio de Nanosíntesis que dirige el Dr. Dinesh Pratap Singh, del Departamento de Física, se trabaja en diversas líneas de investigación y una de ellas se orienta al desarrollo de un supercapacitor que pueda realizar el buen trabajo que hacen las baterías, pero sin sus perjudiciales efectos en el medio ambiente.
Los supercapacitores o supercondensadores son dispositivos para el almacenamiento de energía que, a diferencia de las baterías convencionales, basan su funcionamiento en los principios físicos de los materiales en lugar de los químicos, disminuyendo la generación de desechos tóxicos para el planeta.
El Dr. Leonardo Vivas tiene una posición postdoctoral en el laboratorio y está dedicado a este proyecto: “estamos buscando nuevos dispositivos con un alto impacto tecnológico en el almacenamiento de energía, que puedan retener más carga, que el proceso de cargarlos se realice en pocos segundos y que sean amigables con el medio ambiente. El laboratorio tiene como filosofía de trabajo: que nuestras líneas de investigación, y resultados, sean lo más amigables con el medio ambiente posible”.
El proyecto pretende desarrollar un aparato capaz de cargar energía en muy poco tiempo y almacenarla. La diferencia con las baterías estaría en su distinto funcionamiento: las baterías, cargan lentamente, pero pueden almacenar bastante energía mediante un proceso electroquímico; mientras que en los súpercapacitores el proceso de carga ocurre en segundos, ya que utiliza las propiedades de la superficie de los materiales mediante el efecto físico llamado electroestática que ocurre instantaneamente, pero no pueden almacenar tanta carga. Ahí es donde la nanotecnología ofrece una solución, ya que justamente en los tamaños nano (10-9 m) los materiales se vuelven muy reactivos porque se aprovechan las propiedades de los átomos de la superficie. Es como extender una torta de panqueques lámina por lámina: la superficie resultante es mucho mayor. Por eso la idea es que los nanomateriales favorezcan esa interacción de capas con superficies muy reactivas.
“Estamos apostando al futuro del almacenamiento de energía. Se habla mucho de la conversión de energía eólica o solar en energía eléctrica, pero se habla poco de cómo almacenar esa energía”, advierte el Dr. Vivas, quien reconoce que este tipo de desarrollos podría complementar los sistemas de energía renovable no convencionales en los momentos en que no se está generando esa energía, por ejemplo, almacenar energía solar para usarla en las noches.
Nanomateriales
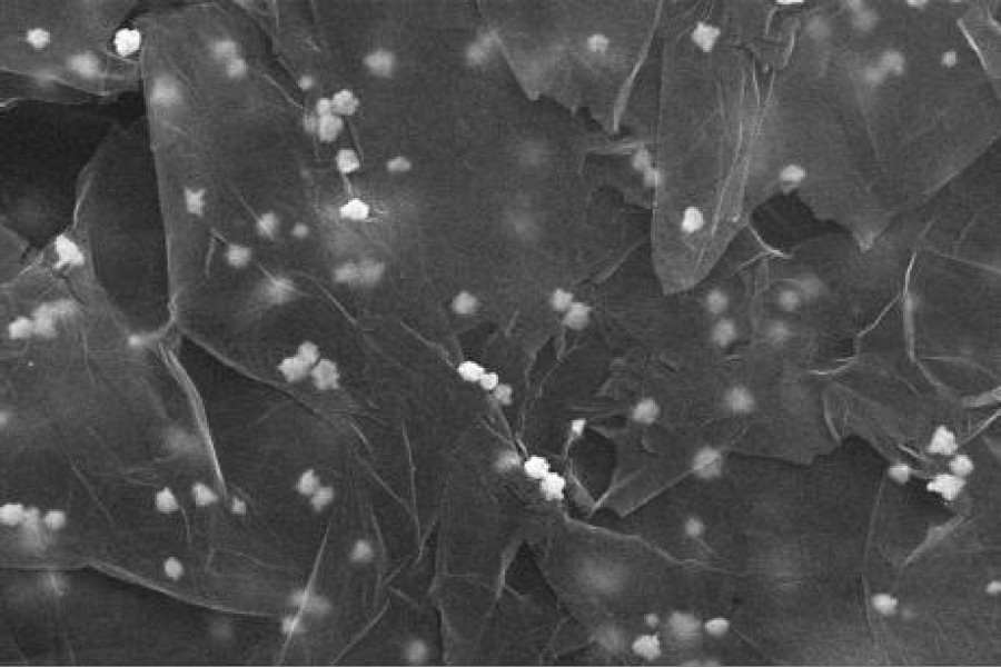
Para dotar al dispositivo de materiales adecuados, el investigador explica que utilizan óxido de grafeno reducido, que cuenta con casi todas las atribuciones del grafeno propiamente tal, pero con un método de obtención más económico y cuya obtención es mucho menos compleja. Ambos derivados del carbono, considerados nanomateriales por tratarse de láminas muy, muy delgadas, disponen de gran área superficial, como si fueran cada lámina de la torta de panqueques. Sin embargo, a diferencia de las complejidades para conseguir grafeno puro (láminas de hasta un átomo de espesor), el óxido de grafeno se obtiene al separar las láminas de grafito mediante la inyección de grandes cantidades de oxígeno.
Volviendo al ejemplo de la torta de panqueques, sería como despegar cada lámina y procurar que quedaran separadas para aprovechar la superficie de cada capa. Esas láminas separadas por oxidación, son luego “decoradas” con nanopartículas de diversos materiales con el objetivo de poner separadores que impidan que se vuelvan a pegar. El procedimiento concluye con la “reducción” o eliminación del oxígeno sobrante del procedimiento, dejando como resultado, oxido de grafeno reducido decorado, es decir, grafeno con restos de óxigeno que son irrelevantes, y decorado con nanopartículas que contribuyen significativamente en las propiedades propias del grafeno.
“En este tipo de dispositivos es importante que el área superficial sea grande”, sostiene el Dr. Vivas agregando que el material se enriquece con la adición de nanopartículas que pueden ser de oro, plata, manganeso, cromo, “con propiedades electromagnéticas que funcionen bien para la conducción eléctrica”.
El proyecto busca producir nuevo conocimiento y compartirlo a través de publicaciones científicas en revistas indexadas, sin embargo, no descartan que de obtener buenos resultados puedan también generar patentamiento.
El Dr. Leonardo Vivas se especializó en física de la materia condensada y acumuló experiencia en la preparación de materiales, con propiedades eléctricas y magnéticas durante sus estudios de pregrado y doctorado en Venezuela. Llegó al país hace tres años y ha estado trabajando con el Dr. Dinesh P. Singh. Recientemente, obtuvo una beca postdoctoral de la Anid para continuar su investigación.
“El laboratorio tiene varias líneas de investigación, colaboramos con mucha gente en muchas cosas: además de los supercapacitores, también hay investigaciones con celdas solares, síntesis de materiales, óptica y se hacen cristales MOFs que se utilizan en comunicación cuántica”, indica el Dr. Vivas destacando el trabajo colaborativo: “trabajé con un postdoc de la U. de Chile que es ecólogo y que usaba nanopartículas que sintetizamos acá, para controlar el tiempo de floración de ciertas plantas”.
Actualmente el laboratorio está funcionando por turnos, siguiendo las medidas de protección y, por razones de seguridad, han reducido la cantidad de personas que puede acceder, por eso, la colaboración se ha hecho más importante, ya que quien asiste de forma presencial también apoya algunos procedimientos de otros investigadores: “trabajamos entre todos ayudándonos”.
Autor:
Sandra Gómez Soto
Fotografía:
Cedida


